Minitel / Audiotel / E10.5 PAVI / CTA
_____
Historique de la Télématique
-Histoire du Minitel-
(Télématique : ensemble des services de nature ou d’origine informatique pouvant être fournis à travers un réseau de télécommunications. J.O.R.F du 17 janv. 1982.)
_____
Ouvertures Techniques Télétel / Videotex et Annuaire Électronique :
informations retrouvées sur pièces à partir du 5 octobre 1982.
- La Numérotation Minitel des débuts est à 7 chiffres : un indicatif de 3 chiffres suivi de 4 chiffres pour accéder à la page d’accueil, où l’on indique alors le nom abrégé du service télématique souhaité (jusqu’à 5 caractères alphanumériques).
- Existe déjà Indicatif BPQ 612 TELETEL 3V à Vélizy – Expérimentation en service depuis 1981
- La mise en service de cet indicatif 612 date probablement du 2 janvier 1981.
- Création Indicatif ABPQ 3613 TELETEL le 17 mai 1982 en Région Picardie.
- Création Indicatif ABPQ 3613 TELETEL le 7 juin 1982 dans les Alpes-Maritimes et en Corse (Télex du 7 juin 1982).
- Création Indicatif BPQ 613 TELETEL le 1er octobre 1982 en Île-de-France (date ouverture officielle – a peut-être été créé dans les Traducteurs du réseau antérieurement).
- Porté par PATS implanté sur Commutateur Métaconta 11F Michelet 2 ES1 (CC22) depuis le 25 août 1983 – (Note du 10 août 1983).
- Porté par PATS implanté sur Commutateur Métaconta 11F Michelet 2 ES1 (CC22) depuis le 1er février 1984.
- Création Indicatif BPQ 311 pour l’Annuaire Électronique le 15 février 1983. (Numéros initiaux Annuaire Électronique : 311.11.11 et 311.21.11) – (Note de Service du 21 janvier 1983) (ACH391)
- Création Indicatif BPQ 614 TELETEL le 30 août 1983 – (Note de Service du 9 août 1983).
- Porté par PATS implanté sur Commutateur Métaconta 11F Nord 5 ES2 (AD16) à sa création.
- Porté par PATS implanté sur Commutateur Métaconta 11F Michelet 2 ES1 (CC22) depuis le 1er février 1984 – (Télex du 24 janvier 1984).
- Porté par les E10.5 PAVI de chaque secteur dès leur mise en service progressive (circa 1985/86/87).
- Création Indicatif ABPQ 3615 TELETEL le 15 janvier 1984 en région PACA (Télex du 6 janvier 1984).
- Création Indicatif BPQ 615 TELETEL le 18 janvier 1984 – (Télex du 10 janvier 1984).
- Porté par PATS implanté sur Commutateur Métaconta 11F Michelet 2 ES1 (CC22) depuis le 19 octobre 1984 – (Télex du 17 octobre 1984).
- Porté par les E10.5 PAVI de chaque secteur dès leur mise en service progressive (circa 1985/86/87).
- Création Indicatif ABPQ 3614 TELETEL le 29 mars 1984 en région PACA (Télex du 29 mars 1984).
- Création Numéro Court 11 (Annuaire Électronique) le 11 mai 1984. (remplace les 321.11.11 et 311.21.11 qui sont maintenus provisoirement en doublon)
- Suppression Indicatif BPQ 311 le 20 novembre 1984 – (Télex du 8 février 1985 le rappelant).
- Suppression Indicatif BPQ 612 avant le 13 mai 1985 – (Télex du 6 mai 1985).
- Le 25 octobre 1985 à 23H00, les indicatifs Télétel BPQ 613, 614 et 615 deviennent les Indicatifs ABPQ 3613, 3614 et 3615 ; toujours suivis de 4 chiffres pour accéder au service Télétel souhaité. (Nouvelle Numérotation Minitel à 8 chiffres.)
- Ouverture du 3615 (Télétel 3) à La Réunion le 10 mars 1986 – (Télex du 3 mars 1986).
- Inauguration du Service Télétex entre la France et la RFA le 12 mars 1986.
- Création Indicatif 3618 Communication de Minitel à Minitel (MIAMI) le 15 avril 1986 – (Télex du 3 avril 1986). Service accessible initialement par le 36.18.91.11.
- Mise en service le 14 avril 1986, du système SOSAT (Système d’Observation des Services d’Accès Télétel) chargé de fournir en temps réel des indicateurs sur l’indisponibilité totale ou partielle de chaque service Télétel (services appelés à se multiplier).
- Ouverture du Service Télétex entre la France et la Suisse le 1er mai 1986.
- Ouverture du Service Télétex entre la France et les USA en Mai 1986.
- Ouverture du Service Télétex entre la France et le Luxembourg en Juin 1986.
- Création Numéros Courts 3613 (Teletel 1), 3614 (Teletel 2), 3615 (Teletel 3) et 3618 (Minitel à Minitel) le 8 juillet 1986 – (Télex du 1er juillet 1986).
- Ouverture du Service Télétex entre la France et la Norvège le 15 juillet 1986.
- Interdiction des Indicatifs 3615 Télétel et 4369 kiostel le 17 juillet 1986 aux postes d’exploitation des PTT – (Instruction DPR).
- Ouverture du Service Télétex entre la France et l’Autriche en Septembre 1986.
- Création du Numéro Court 3621 (Télétel mode ASCII 80 colonnes compatible avec les Minitel Bistandard) le 28 novembre 1986, porté par PATS Code ASCII implanté sur Commutateur Métaconta 11F Danton 2 ES1 (AB83) – (Télex du 19 novembre 1986).
- Nota : le 3621 sera étendu sur les PATS récupérés du 3613 basculé sur E10.5 PAVI, à la date du 3 février 1988 (Télex du 20 janvier 1988 et Note de Service du 10 janvier 1988).
- Création de l’Indicatif 3607 le 12 juin 1987 pour le E10.5 PAVI de référence (MG04) de la Sous-Direction MEGAT basée à Rennes – (Télex du 3 juin 1987).
- Le Commutateur E10.5 de référence MEGAT est mis en service le 15 juin 1987 (Note du 5 juin 1987).
- Il est utilisé pour tester les autres E10.5 PAVI de France et permet aussi aux fournisseurs de services TELETEL de tester leurs installations avant mise en ligne définitive.
- Création du Numéro Court 3656 de dépôt de Télégrammes par Minitel le 1er juillet 1987, porté par le Commutateur Téléphonique MT25 Paris Gutenberg 3 ET1 (AC23) – (Télex du 25 juin 1987).
- Création des Numéros Courts 3616 (Télétel 3P) et 3617 (Télétel H) ainsi que les Indicatifs 3605, 3624, 3625, 3626 et 3627 le 17 juillet 1987 – (Télex du 10 juillet 1987).
- 3605 : Télétel Libre Appel à 8 chiffres (Numéro Vert – Appels gratuits),
- 3616 : Kiosque Télématique Professionnel (Numéro Court à Prix Bas),
- 3617 : Kiosque Télématique Professionnel (Numéro Court à Prix Moyen – en réalité à prix élevé !),
- 3624 (Teletel 2), 3625 (Teletel 3), 3626 (Teletel 3P) et 3627 (Teletel H) : Accès Directs à 8 chiffres.
- Création Indicatif 3622 VIDEOTEX allemand porté par Commutateur MT25 Tuileries 4 ET2 (AE25) le 10 novembre 1987 – (Télex du 10 novembre 1987). L’accès à l’Annuaire Électronique de RFA se fait en composant le 36.22.49.49.
- Création Indicatifs 3628 et 3629 Kiosque Télématique à Tarif Élevé le 26 novembre 1987 – Accès Directs à 8 chiffres – (Télex du 19 novembre 1987).
- Reprise du trafic du Numéro Court 3613 Télétel 1 par les E10.5 PAVI (en lieu et place des PATS) à la date du 3 janvier 1988 – (Télex du 20 janvier 1988).
- Suppression Numéro d’appel 36.19.91.11 vers l’Annuaire Électronique en zones non ouvertes le 26 janvier 1988 (toutes les zones étant désormais ouvertes) – (Télex du 14 janvier 1988).
- Création Numéro Court 3619 PAVI Télétel International Libre Appel le 26 janvier 1988 – (Télex du 20 janvier 1988).
- Les annuaires électroniques des pays étrangers suivants sont accessibles à partir du 3619 SIRIEL :
- USA, Belgique, Suisse, Espagne, Portugal.
- Allemagne : à partir du 21 avril 1994.
- Le 3619 SIRIEL est remplacé par le 3617 PAGES I à partir de Mars 1996. Entre temps, ont été rendus accessibles les annuaires internationaux des pays suivants : Andorre, Autriche, République d’Irlande, Italie, Luxembourg.
- Les annuaires électroniques des pays étrangers suivants sont accessibles à partir du 3619 SIRIEL :
- Ouverture du Service Télétex entre la France et la Belgique en Septembre 1988.
- Ouverture d’une passerelle entre le Japon et la France qui donne accès aux japonais au Télétel français le 1er mai 1989.
- Ouverture du Service Télétex entre la France et l’Italie le 14 février 1990.
- Création Indicatif 3612 MINICOM le 12 avril 1990 (en Île-de-France) – (Télex du 4 avril 1990 rectifié le 5 avril 1990). La généralisation à toute la France est effective le 1er octobre 1990.
- Ouverture du Service Télétex entre la France et les Pays-bas le 8 avril 1992.
- Création Indicatif 3623 (Millier 1) PAVI Télétel Vitesse Rapide (TVR – 4800 bit/s) le 15 avril 1992 – Accès Directs à 8 chiffres – (Télex du 10 avril 1992).
- Création Indicatif 3623 (Millier 0) PAVI Télétel Vitesse Rapide (TVR – 4800 bit/s) le 19 mai 1992 – Accès Directs à 8 chiffres – (Télex du 6 mai 1992).
- Ouverture du Service Télétex entre la France et la Grande-Bretagne en Novembre 1992.
- Ouverture Numéro Court 3622 PAVI Télétel Accès Numéris (TAN) le 21 avril 1994, qui permet moyennant le raccordement d’un Minitel par une ligne Numéris et d’un équipement terminal spécifique, d’atteindre un débit de 64 kbit/s – (Note ONS du 22 mars 1994).
- Ouverture Numéro Court 3623 PAVI Télétel Vitesse Rapide (TVR) le 20 septembre 1994 – (Télex du 5 septembre 1994).
- Création Indicatif 3601 KIOSQUE MICRO le 29 novembre 1994 – Accès Directs à 8 chiffres – (Télex du 17 novembre 1994).
- Ouverture d’une passerelle entre la Grèce et la France qui donne accès aux grecs au Télétel français en Mars 1995.
- Suppression Numéro Court 3621 (Télétel mode ASCII 80 colonnes compatible avec les Minitel Bistandard) et transfert de cette fonctionnalité directement via le 3613 le 1er août 1995 – (Télex du 20 juillet 1995).
- Création Numéro Court 3611 Annuaire Électronique le 26 décembre 1995 – en remplacement du 11 maintenu en doublon jusqu’en Novembre 1996 – (Courrier du 27 novembre 1995 et modificatif du 19 décembre 1995).
- Suppression Numéro Court 11 le 2 décembre 1996 en vue de la création du Numéro d’Appel des Urgences en Europe 112 le 12 décembre 1996.
Ouvertures Techniques provisoires d’essais sur les Centres Terminaux d’Annuaire et Points d’Accès Videotex Intermédiaires :
Informations retrouvées à partir du 5 octobre 1982.
- Création Indicatif BPQ 659 et 669 CTA de Paris-Tuileries (TL11) (Concentrateur Terminal Annuaire) pour essais internes PTT le 29 février 1984 (Ordre Téléphonique du 29 février 1984).
- Suppression Indicatif BPQ 669 CTA le 21 août 1984 (Télex du 17 août 1984).
- Création Indicatif 519 CTA de Longchamp (LN11) le 14 novembre 1984. (essais internes PTT) – (Télex du 14 novembre 1984).
- Création Indicatif 319 CTA de Paris-Cévennes (CV11) le 9 janvier 1985. (essais internes PTT) – (Télex du 9 janvier 1985)
- Création Indicatif 318 CTA du Blanc-Mesnil (BM11) le 20 août 1985. (essais internes PTT) – (Note de Service du 20 août 1985)
- Création Indicatif 6018 CTA de Massy (MS11) et PAVI de Massy (MSV1) le 23 décembre 1985. (essais internes PTT) – (Note de Service du 23 décembre 1985)
- Création Indicatif 4718 CTA de Fontenay (FN11) et PAVI de Fontenay (FNVI) le 25 juin 1986 (essais internes PTT) – (Télex du 17 juin 1986)
- Création Indicatif 4913 CTA de Paris-Bondeville (BD11) le 8 septembre 1986. (essais internes PTT) – (Télex du 4 septembre 1986).
- Création Indicatif 3017 CTA de Soisy le 2 octobre 1987. (essais internes PTT) – (Télex du 1er octobre 1987).
- Création Indicatif 4912 CTA de Boulogne-Billancourt (BL11) le 3 décembre 1987. (essais internes PTT) – (Télex du 2 décembre 1987).
- Création Indicatif 4914 CTA de Paris-Beaujon (BA11) le 21 avril 1988. (essais internes PTT) – (Télex du 19 avril 1988).
- Création Indicatif 3018 CTA de Vélizy le 27 juin 1988. (essais internes PTT) – (Télex du 16 juin 1988)
- Après le 27 juin 1988, plus aucun indicatif d’essai n’a été créé.
- Suppression de tous les Indicatifs d’Essais créés précédemment en Île-de-France le 17 décembre 1990 (Télex du 13 décembre 1990). Fin des essais internes PTT à cette date. (AB.PQ : 4318, 4319, 4519, 4659, 4718, 4912, 4913, 4914, 3017, 3018 et 6018).
_____
Historique du Kiosque Téléphonique
- Nonobstant la mission principale des Commutateurs E10.5 constituant les accès télématiques au Videotex/Télétel et à l’Annuaire Électronique, les Commutateurs E10.5 sont aussi capables de traiter du trafic voix, avec en plus de bonnes dispositions pour l’acheminement du trafic en masse, y inclus la gestion des taxations les plus complexes et les plus diversifiées que l’on puisse concevoir…
- Taxation au Quantum (c’est à dire au forfait, à chaque début de communication)
- Taxation à la Durée par impulsions périodiques, à différentes cadences possibles, et à plusieurs tarifs,
- Taxation par combinaison au Quantum et à la Durée,
- Répartition des gains entre l’Opérateur téléphonique et les éditeurs de services privés (à proportion variable suivant les types de services et les conventions signées entre les PTT/France Télécom et les éditeurs de services privés).
- Mais avant l’utilisation des Commutateurs E10.5 PAVI pour ces services, il est procédé à l’ouverture du KIOSQUE TÉLÉPHONIQUE dès le 11 avril 1984 (dénomination initiale : TÉLÉMICROSERVICE) selon le mode unique et simplifié de la Taxation au Quantum (c’est à dire pour un prix d’appel fixe facturé en début de communication : les fameux 2,19 francs/appel et 3,65 francs/appel – utilisés abondamment par les jeux TV notamment).
- Le Kiosque Téléphonique débute donc le 11 avril 1984 uniquement en Île-de-France. Il faut attendre l’année 1987 pour que le Kiosque Téléphonique s’implante dans certaines régions : Lille, Lyon, Marseille, Nantes et Bordeaux.
- En Août 1986, il est notifié par l’Administration des PTT un marché d’études concernant le Kiosque Téléphonique à la société Techniphone, pour la conception d’un prototype d’une machine de diffusion de messages enregistrés, d’une capacité de diffusion simultanée de 320 voies.
- Lors des débuts du Kiosque Téléphonique en Île-de-France, ce sont d’abord des Commutateurs d’Abonnés classiques qui supportent cette charge, régulièrement croissante : des Commutateurs Métaconta 11F et MT25.
- Avec ces Commutateurs d’Abonnés déjà occupés à acheminer leurs propres abonnés, il n’est pas possible de créer des modes de taxation trop complexes.
- De plus, la charge instantanée, pour les jeux radio et surtout TV à des moments précis, durant des émissions à grande écoute, s’avère tellement lourde qu’il est nécessaire de découper les Indicatifs ABPQ en Milliers séparés, de répartir ces Indicatifs ABPQ sur plusieurs Commutateurs d’Abonnés à la fois, en ne faisant porter qu’un seul ou deux Milliers de Numéros Kiosque par chaque Commutateur d’Abonnés choisi.
- Aussi, lorsque le besoin se fera sentir de créer d’autres services (notamment les messageries roses), la nécessité de changer d’architecture deviendra évidente : l’utilisation des E10.5 PAVI dans l’acheminement des nouveaux services Kiosque Téléphonique complexes s’imposera comme la solution la plus logique et rentable… Ce sera le cas à partir du 6 mai 1992.
- À partir du 6 mai 1992 (ouverture commerciale), ce seront les Commutateurs E10.5 PAVI qui reprendront progressivement cette tâche devenue trop lourde pour les Commutateurs d’Abonnés classiques. Les Services KIOSQUE TÉLÉPHONIQUE sont en cette occasion renommés AUDIOTEL.
- Sont techniquement créés dès le 15 avril 1992 (et commercialement ouverts le 6 mai 1992) les services AUDIOTEL taxés à la Durée.
- Sont techniquement repris par les E10.5 PAVI entre le 16 mai 1995 et le 29 février 1996 les services AUDIOTEL taxés au Quantum (portés jusques alors par des Commutateurs MÉTACONTA 11F et MT25 puis tardivement par des Commutateurs E10B3).
Ouvertures Techniques du KIOSQUE TÉLÉPHONIQUE :
Les numéros d’appel des services Kiosque Téléphonique sont des numéros à 8 chiffres (puis à 10 chiffres à partir du 18 octobre 1996 à 23H00).
Ils sont créés initialement en Île-de-France à partir de 1984 avant de commencer leur généralisation à l’échelon national en 1987 :
Ci-dessous : historique le plus complet possible d’Île-de-France. (TB = Taxe de Base entre 1945 et 1986 – UT = Unité Télécom depuis 1987).
Période Pré-E10.5 PAVI :
- Création Indicatif 369 (Millier 1) (futur 4369 après le 25 octobre 1985) pour le système Télémicroservice, service de diffusion de messages au Quantum 3 TB (futur Kiosque Téléphonique), sur Commutateur MÉTACONTA 11F Ségur 2 ES1 (AD92) le 11 avril 1984 – (Télex du 28 mars 1984).
- Création Indicatif 4667 Kiosque Téléphonique au Quantum 3 TB, sur Commutateur MÉTACONTA 11F Auteuil 2 ES1 (AB15) le 5 mars 1986 – (Télex des 25 et 26 février 1986).
- Extension Indicatif 4369 (Millier 6) Kiosque Téléphonique au Quantum 3 TB, sur Commutateur MÉTACONTA Auteuil 2 ES1 (AB15) le 15 juillet 1986 – (Télex 8 juillet 1986).
- Création Indicatif 3669 (Millier 1) Kiosque Téléphonique au Quantum 3 UT, sur Commutateur MÉTACONTA 11F Ségur 2 ES1 (AD92) le 14 avril 1987 – (Télex des 8 et 9 avril 1987). En équivalence avec le 4369 (Millier 1).
- Extension Indicatif 3669 (Milliers 3 et 7) Kiosque Téléphonique au Quantum 3 UT, sur Commutateur MÉTACONTA 11F Auteuil 2 ES1 (AB15) le 10 juin 1987 – (Télex du 4 juin 1987). En équivalence avec le 4369 (Milliers 3 et 7).
- Suppression Indicatif 4667 Kiosque Téléphonique le 9 juillet 1987 – (Télex du 9 juillet 1987).
- Extension Indicatif 3669 (Millier 5) Kiosque Téléphonique au Quantum 3 UT, sur Commutateur MÉTACONTA 11F Ménilmontant 1 ES1 (AC73) le 20 août 1987 – (Télex du 6 août 1987).
- Suppression Indicatif 4369 (Milliers 1, 3 et 7) Kiosque Téléphonique le 1er septembre 1988 – (Télex du 18 août 1988). Le 4369 est définitivement remplacé par le 3669.
- Création Indicatif 3665 Kiosque Téléphonique au Quantum 5 UT, sur Commutateurs MÉTACONTA 11F Auteuil 2 ES1 (AB15) (Millier 6), Ségur 2 ES1 (AD92) (Millier 8), Ménilmontant 1 ES1 (AC73) (Millier 3) ; et sur Commutateur MT25 Molitor 3 ET2 (CC34) (Millier 7) le 30 septembre 1988 – (Télex du 27 septembre 1988).
- Suppression Indicatif 3669 Kiosque Téléphonique le 3 juillet 1989 – (Télex du 26 juin 1989). Le 3669 est définitivement remplacé par le 3665.
- Création Indicatif 3668 Kiosque Téléphonique au Quantum 5 UT, sur Commutateurs MÉTACONTA 11F Auteuil 2 ES1 (AB15), Ségur 2 ES1 (AD92), Ménilmontant 1 ES1 (AC73) et sur Commutateur MT25 Molitor 3 ET2 (CC34) le 31 octobre 1990 – (Télex du 29 octobre 1990).
- Création Indicatif 3666 Kiosque Téléphonique au Quantum 5 UT, sur Commutateurs MÉTACONTA 11F Auteuil 2 ES1 (AB15) (Millier 4), Ségur 2 ES1 (AD92) (Millier 0), Ménilmontant 1 ES1 (AC73) (Millier 3) et sur Commutateur MT25 Molitor 3 ET2 (CC34) (Millier 7) le 23 mars 1992 – (Télex du 17 mars 1992).
- Suppression Indicatif 3668 Kiosque Téléphonique le 2 avril 1992 – (Télex du 31 mars 1992). Le 3668 est définitivement remplacé par le 3666 en tant que Kiosque Téléphonique au Quantum 5UT.
_____
Période E10.5 PAVI :
- Création Indicatifs 3664, 3667, 3668 et 3670 Kiosque Téléphonique à la Durée (Audiotel), sur Commutateurs E10.5 PAVI le 15 avril 1992 – (Télex du 2 avril 1992) – Ouverture Commerciale le 6 mai 1992.
- 3664 : 1 UT par minute.
- 3667 : 2 UT par minute.
- 3668 : 3 UT par minute.
- 3670 : 12 UT au Quantum + 3 UT par minute.
- Création Indicatif 3635 Audiotel à la Durée (réservé SNCF), sur Commutateurs E10.5 PAVI le 9 décembre 1993 – (Télex du 7 décembre 1993).
- Création Indicatif 3669 Audiotel à la Durée 3 UT par minute, sur Commutateurs E10.5 PAVI le 24 avril 1995 – (Note ONS du 11 avril 1995).
- Transfert Indicatif 3666 Audiotel Jeux (au forfait), sur Commutateurs E10.5 PAVI le 16 mai 1995 – (Télex du 5 mai 1995). (Les Commutateurs MÉTACONTA 11F arrivant en fin de vie à moyen terme (1996-2000).
- Transfert Indicatif 3665 (Millier 7) Audiotel Jeux (au forfait), sur Commutateurs E10.5 PAVI le 9 janvier 1996 – (Télex du 2 janvier 1996). (anciennement MT25 Molitor 3 ET2 (CC34)).
- Transfert Indicatif 3665 (Milliers 3 et 5) Audiotel Jeux (au forfait), sur Commutateurs E10.5 PAVI le 18 janvier 1996 – (Télex du 15 janvier 1996). (anciennement E10B3 Diderot 6 ET3 (AB96)).
- Transfert Indicatif 3665 (Millier 8) Audiotel Jeux (au forfait), sur Commutateurs E10.5 PAVI le 25 janvier 1996 – (Télex du 18 janvier 1996). (anciennement E10B3 Brune 3 ET2 (AB44)).
- Transfert Indicatif 3665 (Milliers 0, 1 et 2) Audiotel Jeux (au forfait), sur Commutateurs E10.5 PAVI le 7 février 1996 – (Note du 31 janvier 1996). (anciennement MÉTACONTA 11F Ségur 2 ES1 (AD92)).
- Transfert Indicatif 3665 (Milliers 4, 6 et 9) Audiotel Jeux (au forfait), sur Commutateurs E10.5 PAVI le 29 février 1996 – (Note du 22 février 1996). (anciennement MÉTACONTA 11F Auteuil 2 ES1 (AB15)).
- Création Indicatif 3636 Audiotel Libre Appel Gratuit, sur Commutateurs E10.5 PAVI le 4 novembre 1997 – (Note du 17 octobre 1997).
- Création Indicatif 3671 Audiotel Télévote (1UT/appel), sur Commutateurs E10.5 PAVI le 4 novembre 1997 – (Note du 17 octobre 1997).
_____
Période Post-E10.5 PAVI :
La solution de transférer le trafic Audiotel sur les Commutateurs E10.5 PAVI a permis la suppression des Commutateurs Semi-Électroniques MÉTACONTA 11F choisis qui supportaient ces services depuis leur création.
- Le 9 juillet 1997 il est décidé officiellement le transfert à terme de tout le trafic Audiotel supporté par les Commutateurs E10.5 PAVI vers une nouvelle architecture dite « Réseau Intelligent », où désormais le trafic Audiotel sera depuis lors entièrement supporté par les Commutateurs de Transit de type MT20 assurant soit la fonction de Centre de Transit Principal (que l’on dénommait autrefois Centres de Transit Nationaux), soit de Centre de Transit Secondaire (que l’on dénommait autrefois Centres de Transit Régionaux). La majeure partie des Commutateurs de Transit MT20 est retenue pour reprendre l’intégralité du trafic Audiotel.
- Tous les Indicatifs Audiotel sont concernés par cette migration : (08)3635, (08)3636, (08)3664, (08)3665, (08)3666, (08)3667, (08)3668, (08)3669, (08)3670, (08)3671.
- Début Juillet 1999, la totalité du trafic Audiotel est basculée sur le Réseau Intelligent via les Commutateurs de Transit Secondaires MT20.
- Création Indicatif 3980 Audiotel TF1, sur Commutateurs MT20 le 29 novembre 2005 – (Note du 22 novembre 2005)
- De 1999 à 2012, les Commutateurs E10-5 PAVI n’achemineront plus que le trafic Télétel (incluant le trafic Annuaire Électronique).
Structures et Matériels
Emploi des Commutateurs E10.5 dans le réseau français de Télécommunications :
- Le réseau télématique grand public français est entièrement articulé et construit avec des Commutateurs Téléphoniques spécialisés conçus par la société Alcatel, de type temporel portant la référence Alcatel 1130.
- Dans l’Administration leur dénomination est devenue E10.5 (E10 dits de 5ème génération – même s’il ne s’agit pas vraiment de 5ème génération…).
- Initialement la dénomination de ce nouveau modèle de commutateur était E10.S (E10 Satellite), renommée en E10.5 pour des raisons commerciales de tentative d’exportation aux USA par Alcatel (E10-Five).
- E10.5 est un système développé et mis au point dans les centres de R&D de CIT-Alcatel, à Vélizy en Région Parisienne. Au début des années 1980 est créé au sein de CIT-Alcatel à Vélizy le Groupe Petit Système. Profitant des évolutions mises au point dans le cadre du développement des systèmes E10 précédents (E10N3 et E10N1 en fin de développement) ainsi que du système E12 en fin de développement lui aussi, le E10.5 met en œuvre de nombreux nouveaux concepts et technologiques :
- circuits imprimés multi-couches,
- système de commande générale répartie en plusieurs Unités de Commandes organisées en réseau,
- première vraie utilisation de la gamme de micro-processeurs banalisés Intel 8080, puis 8086, puis 80286, puis 80386 (avec une forte implication des concepteurs américains du Personal Computer),
- réseau série, à haut débit, en boucle ouverte d’interconnexion temporelle des éléments processeurs (RIT),
- système modulable et aisément extensible,
- fonctionnement en mode dégradé possible, sans blocage important de ressources,
- premières utilisations de la norme de signalisations CCITT n°7,
- fonctionnement en environnement non climatisé,
- concept innovant d’architecture logicielle en « Machines Logiques » qui sera repris dans les Commutateurs de type E10B3 ultérieurement,
- utilisation maximisée des processeurs en tranche,
- procédures simplifiées d’installation et d’exploitation…
_____
- Le système E10.5 a été initialement conçu pour remplacer les commutateurs téléphoniques ruraux de faible capacité de type Crossbar (CP100 et sa variante simplifiée qui n’est pas à autonomie d’acheminement : le Socotel S1) sur le territoire français, il se révèle rapidement, capable d’accomplir des tâches bien plus perfectionnées que de la simple commutation de conversations téléphoniques courantes… La polyvalence de ce système étant due à son architecture répartie et modulable particulièrement évoluée.
- Un Commutateur E10.5 est un Commutateur multiservices. Il est utilisable dans les fonctions suivantes :
- Centre rural d’Attachement d’abonnés à autonomie d’acheminement (USA) sous la dénomination T-SS-5. (En France ce rôle est assuré essentiellement par des Commutateurs E10N3 et E10N1)
- Centre Téléphonique à Autonomie d’Acheminement (CAA) – Utilisé à Monaco : Monaco 3 (AP01) mis en service en Décembre 1988 – par adjonction d’Unités Terminales de type CSE (telles qu’utilisées dans les E10N1).
- Expérimentation en Centre de Transit (CT) (Développé en laboratoire au CNET Lannion),
- Concentrateur de Terminaux Annuaire (CTA / Minitel : Annuaire Électronique) (France),
- Point d’accès Vidéotex (PAVI /Télétel) (France, Italie),
- Kiosque Téléphonique / Audiotel (France),
- Centre de Raccordement Terrestre (E10.5 CRT) : réseau de transmission de données à haut débit basé sur les premiers satellites de télécommunications « Télécom 1 » : TRANSCOM, via au moins 3 Commutateurs E10.5 dédiés (Marseille, Mulhouse et Rennes)
- Transmissions de données par commutation de Liaisons Spécialisées TRANSPAC (au moins 1 Commutateur E10.5 dédié, implanté à Nice)
- Utilisé dans le Réseau de téléphonie mobile analogique 1G Radiocom 2000 à quelques exemplaires (5 Commutateurs E10.5 d’après nos recherches en zones montagneuses) (CORPAC)
- Concernant la France, au moins 291 Commutateurs E10.5 ont été mis en service.
- Concernant l’Île-de-France, les premiers E10.5 sont mis en service commercial en 1983-1984,
- sur le Centre Téléphonique de « Longchamp » à Suresnes pour l’Annuaire Électronique (CTA)
- sur le Centre Téléphonique de « Tuileries » à Paris pour l’accès aux services Videotex (PAVI).
- Bien que le système E10.5 qui reprend les meilleurs acquis et se projette sur les technologies d’avenir n’ait pas obtenu tout le succès qu’il méritait, il demeure cependant une référence française en matière d’évolution des systèmes de commutation temporelle. La fusion entre CIT et ITT intervenue en 1986 entraîne la regrettable cessation de son développement.
- En France, les derniers Commutateurs E10.5 sont mis à l’arrêt le 30 juin 2012, entraînant l’arrêt de l’Annuaire Électronique et des services Télétel – Videotex accessibles depuis un Minitel. L’Audiotel est transféré sur une autre technologie dite Réseau Intelligent directement par les Commutateurs de Transit MT20TN.
_____
Séparation des réseaux Télétel – Videotex d’une part et Annuaire Électronique d’autre part :
Dans la Télématique grand public, seuls sont utilisés des Commutateurs Électroniques Temporels du type E10.5.
Dès le début de la création du Télétel, il est alors décidé de spécialiser les Commutateurs E10.5 en 2 catégories distinctes par des configurations logicielles différenciées (bien qu’il s’agisse des mêmes machines matérielles) :
- Catégorie E10.5 Concentrateur Terminal Annuaire (CTA) assurant l’accès à l’Annuaire Électronique,
- Catégorie E10.5 Point d’Accès Videotex Intermédiaire (PAVI) assurant l’accès aux services Télétel.
Ainsi, les Commutateurs E10.5 CTA et les Commutateurs E10.5 PAVI cohabitent côte à côte dans les mêmes locaux techniques et accomplissent séparément leurs tâches spécialisées.
Ci-dessus : Architecture de Principe de la Télématique Commutée en France.
L’usager a le choix en numérotant, d’accéder à l’architecture Annuaire Électronique par le 11, ou d’accéder à l’architecture Télétel par les Numéros Courts (3615 par exemple).
_____
Architecture propre au réseau Télétel – Videotex :
Le Point d’Accès Videotex Intermédiaire (PAVI) constitue l’élément intermédiaire entre le Réseau Téléphonique Commuté et le Réseau TRANSPAC.
Le PAVI permet donc à un usager d’atteindre des serveurs télématiques à partir d’un terminal installé par exemple à son domicile, ou sur son lieu de travail.
À partir de ces serveurs télématiques, l’usager peut accéder à des banques de données, des systèmes de transaction ou de traitement de l’information.
Ci-dessus : le Centre Serveur Télématique de données de Valbonne (06) –
- Le Centre Serveur en Information Bibliographique et Factuelle est mis en service le 1er juin 1979.
- Il est inauguré le 22 juin 1979 par M. le Secrétaire d’État des Postes et Télécommunications – Norbert Ségard.
- Il appartient à la société Télésystèmes, filiale de France Câbles et Radio, une société d’économie mixte sous tutelle de la Direction Générale des Télécommunications.
- Equipé d’une unité de calcul IRIS 80 à bi-processeur.
- Devenu accessible par le Système Télétel vers 1983, les usagers du Minitel se connectant à Télétel, via leur Commutateur E10.5 PAVI au réseau TRANSPAC, se voient mis en relation avec le Centre Serveur souhaité : par exemple celui-ci.
Nota : les appareils qui ont l’air de lave-vaisselle sont en fait des Disques Durs Magnétiques d’une capacité de 50 Mo environ. Capacité importante à cette époque.
Photographies PTT – 1979 – Coll. C. R-V.
_____
Ci-dessus : abonnés connectés aux services télématiques de leur choix, via TRANSPAC et via un Commutateur E10.5 PAVI.
_____
- Le PAVI permet la communication entre un serveur et un usager, au moyen d’un code d’accès ou d’un numéro TRANSPAC.
- Le PAVI assure l’assemblage à la norme Transpac des caractères frappés sur le clavier alphanumérique du terminal de l’usager.
- Le PAVI assure la concentration du trafic en provenance des terminaux qui lui sont raccordés simultanément.
- Le PAVI assure le retour sur l’écran du terminal de l’usager, en « mode écho », des caractères frappés par l »usager sur son clavier alphanumérique. Ceci permet à l’usager de contrôler la validité de sa frappe et de sa bonne réception au Centre de Télécommunications,avant de valider l’envoi de ses demandes vers le serveur souhaité.
- Le PAVI doit aussi pouvoir permettre à l’usager de corriger des caractères erronés, tant que la touche envoi n’a pas été appuyée. (Touches Correction, Retour, Sommaire…)
- Le PAVI assure le désassemblage en caractères des paquets à la norme TRANSPAC en provenance du serveur auquel il est connecté.
- Le PAVI doit pouvoir signaler à l’usager les incidents de connexion ou de fonctionnement pouvant intervenir au cours de la communication avec le serveur de son choix.
- Le PAVI assure la rupture de communication en fin d’utilisation, lorsque l’usager appuie une dernière fois sur la touche Connexion/Fin.
_____
Architecture Transitoire Télétel :
- Au tout début de l’implantation du Télétel en France, les Commutateurs E10.5 dans leur version dédiée PAVI, n’étaient pas encore entièrement mis au point et validés. Il faudra attendre 1984 pour que les premiers Commutateurs E10.5 soient mis en service.
- Un des premiers Commutateurs E10.5 mis en service en France, sinon le premier est (sous toute réserve) Toulouse E10.5 CTA 1 (TL62) au mois de Janvier 1984.
- Le tout premier Commutateur E10.5 PAVI est mis en service le 25 octobre 1984 (mais nous ignorons lequel).
- Aussi, en attendant, il a été décidé d’implanter provisoirement des machines simplifiées permettant l’accès aux tous premiers services Télétel et Annuaire Électronique. Il s’agit alors de Points d’Accès Télétel Simplifiés (PATS).
- Chaque PATS n’autorise que 24 connexions simultanées… Ces machines sont provisoirement « greffées » sur quelques commutateurs téléphoniques locaux (uniquement sur des Commutateurs Électroniques d’abonnés, Temporels ou Spatiaux), si possible près d’un Commutateur de Transit.
- En effet, ces machines provisoires sont rapidement remplacées par des Commutateurs E10.5 PAVI, capables de bien meilleures performances (jusqu’à 240, 360, 480 voire 660 connexions simultanées suivant les modèles).
- En outre, le trafic du Télétel 1 (Indicatif 36.13 créé le 1er octobre 1982 devenu Numéro Court 36.13 le 8 juillet 1986) demeure supporté par les PATS jusqu’à sa reprise par les Commutateurs E10.5 PAVI à la date du 3 février 1988. (Pourquoi avoir tant attendu ? Pour amortir les PATS et basculer ce trafic une fois le réseau de Commutateurs E10.5 PAVI suffisamment dimensionné.)
_____
Architecture propre au réseau Annuaire Électronique :
- L’architecture d’accès au système d’Annuaire Électronique a été dissociée dès sa création des autres serveurs télématiques « ordinaires ».
- La structure de l’Annuaire Électronique est alors traitée séparément du reste du trafic Télétel.
- Des Commutateurs E10.5 configurés en tant que Concentrateurs de Terminaux Annuaires (CTA) sont alors dédiés spécialement à cet usage.
- Chaque Commutateur E10.5 CTA autorise la connexion simultanée jusqu’à 240 abonnés vers le serveur de l’Annuaire Électronique, et uniquement vers ce serveur.
- D’un point de vue du Réseau Téléphonique Commuté, l’architecture téléphonique des Commutateurs E10.5 CTA dans le réseau est identique à l’architecture téléphonique des Commutateurs E10.5 PAVI, mais elles sont totalement disjointes.
- Commutateurs E10.5 CTA et E10.5 PAVI ne mélangent alors jamais leurs appels respectifs. Ainsi, un Commutateur E10.5 CTA n’achemine ses appels que vers le système de l’Annuaire Électronique.
Ci-dessus : abonnés connectés à la base de donnée de l’Annuaire Électronique, via un Commutateur E10.5 CTA.
_____
Le Concentrateur de Terminaux Annuaire (CTA) constitue l’interface entre le Réseau Téléphonique Commuté et la partie informatique de la Chaîne Annuaire Électronique…
- Le CTA réalise la gestion des terminaux d’abonnés (Minitel) de son secteur et procède à la concentration des accès en mode asynchrone à la norme V23 sur les liaisons de données.
- Chaque CTA dessert au minimum sa Zone à Autonomie d’Acheminement (ZAA), voire une Zone de Transit (ZT) en cas de faible densité de population.
- Les CTA sont reliés au Réseau Téléphonique Commuté via des liaisons numériques MIC normalisées.
- Les CTA sont reliés au serveurs de l’Annuaire Électronique de l’Administration de sa région par des Liaisons Spécialisées fixes (LS).
Le Centre d’Interrogation (CI)
- Le Centre d’Interrogation permet le dialogue entre Abonné et Service Annuaire.
- Le Centre d’Interrogation propose de l’aide aux usagers : il aide l’abonné à formuler correctement et complètement sa demande.
- Le Centre d’Interrogation vérifie ensuite l’exactitude des informations récupérées et les valide le cas échéant.
- Le Centre d’Interrogation aiguille les questions posées par l’usager vers les centres gérant le fichier.
- Le Centre d’Interrogation, en retour, met en forme la réponse sur l’écran de l’abonné.
- Chaque Centre d’Interrogation dessert jusqu’à 180.000 terminaux MINITEL.
- Un Centre d’Interrogation est constitué par :
- 1 Calculateur 32 bit, modèle MINI 6/92 de la compagnie BULL.
- 1 Mémoire de masse constituée de 2 Disques Magnétiques de 64 Mo (type MCD) et 67 Mo (type SMD).
_____
Le Centre de Documentation Régional (CDR)
- Le Centre de Documentation Régional supporte une fraction de la documentation annuaire nationale.
- Ainsi, au début de l’Annuaire Électronique en France, les abonnés ne peuvent pas avoir accès à toute la France, mais seulement à une fraction du territoire bien plus importante que leur seul département (ce que propose l’annuaire de son département de résidence.)
- En pratique, il contient les informations de plusieurs départements en mémoire, typiquement les Pages Blanches, les Pages Jaunes et les informations publicitaires correspondant à environ 3 millions d’abonnés pour un CDR d’une capacité de 1000 erlangs, et 6 millions d’abonnés pour un CDR d’une capacité de 2000 erlangs.
- Chaque Centre de Documentation Régional (CDR), d’une capacité de 1000 erlangs permet le raccordement de 4 Centres d’Interrogation (CI), extensible jusqu’à 8 Centres d’Interrogation (CI) pour un CDR de 2000 erlangs.
- Nota : à partir de l’été 1984, la capacité des Centres de Documentation Régionaux est systématiquement fixée à 2000 erlangs. Les CDR de 1000 erlangs sont donc progressivement transformés en 2000 erlangs ou supprimés.
- Au moins 5 CDR ont été prévus en métropole dès la création du projet Annuaire Électronique.
- Un Centre de Documentation Régional de 1000 erlangs (CDR) est constitué par :
- 1 Interface FRONTAL CP8 (il s’agit d’un Commutateur de Paquets) qui gère les échanges avec les Centres d’Interrogation (CI) et un autre organe supplémentaire : le Centre de Gestion de la Documentation (CGD).
- 2 Calculateurs MINI 6/92 de la compagnie CII – Honeywell -BULL fonctionnant en partage de charge (qui constitue une première architecture de sécurisation).
- 1 Chaîne de Recherche constituée par 2 machines DIRAM 32, de la société Copernique, exploitant des disques durs de grande capacité de 600 Mo. Les DIRAM 32 accomplissant de surcroît certaines tâches qui allègent la charge des Calculateurs.
- La seconde architecture de sécurisation consiste en un croisement des Calculateurs MINI 6/92 et des machines DIRAM 32 qui assurent la redondance en cas de panne sur l’un des 4 organes.
- Chaque CDR d’une capacité de 1000 erlangs peut contenir jusqu’à 10 disques durs de 600 Mo chacun. Toujours en nombre pair, étant donné que chaque fichier ou chaque donnée de l’annuaire stocké(e) dans un Centre de Documentation Régional (CDR) est systématiquement dupliqué(e) sur deux disques durs différents. Il s’agit de la troisième architecture de sécurisation.
- 4 Dérouleurs de Bande Magnétique 6250 bpi.
- Un Centre de Documentation Régional de 2000 erlangs (CDR) est constitué par :
- 2 Interfaces FRONTAL CP8 interconnectées, pour permettre l’accessibilité totale des recherches dans tous les organes mémoire,
- 4 Calculateurs MINI 6/92 groupés par 2, chaque paire de Calculateurs travaillant en partage de charge,
- 2 Chaînes de Recherche constituées chacune de 2 machines DIRAM 32 de la société Copernique, soit 4 machines DIRAM 32.
- Chaque CDR d’une capacité de 2000 erlangs peut contenir jusqu’à 20 disques durs de 600 Mo chacun. Toujours en nombre pair, étant donné que chaque fichier ou chaque donnée de l’annuaire stocké(e) dans un Centre de Documentation Régional (CDR) est systématiquement dupliqué(e) sur deux disques durs différents. Il s’agit de la troisième architecture de sécurisation.
- 8 Dérouleurs de Bande Magnétique 6250 bpi.
Ci-dessus : vue du Centre Annuaire Teletel de Marseille Saint-Mauront, en Janvier 1986. (Centre de Documentation Régional).
Photographie PTT – Coll. C. R-V.
_____
Le Centre de Documentation National (CDN)
- À partir de la mi-1984, un Centre de Documentation National (CDN), regroupant l’ensemble des données de tous les annuaires de France est mis en construction.
- À partir du 7 mai 1985, le Centre de Documentation National (CDN) s’interconnecte avec tous les Centres de Documentation Régionaux (CDR) et permet à n’importe quel usager de France de rechercher n’importe quel autre abonné au téléphone n’importe où sur le territoire national.
_____
Le Centre de Gestion de la Documentation Régionale (CGDR)…
- Chaque « Région Téléphonique » est à titre transitoire équipée d’un Centre de Gestion de la Documentation Régionale (CGDR).
- Chaque Centre de Gestion de la Documentation Régionale (CGDR) assure la mise à jour de la documentation annuaire concernant les abonnés du seul Centre de Documentation Régional (CDR) auquel il est rattaché (et tous deux implantés dans le même local technique).
- Chaque centre sert de liaison entre le système d’annuaire et les fournisseurs d’informations : Agences Commerciales des télécommunications (ACTEL), Office d’Annonce (ODA) et le Service National de l’Édition des Annuaires des Télécommunications (SNEAT).
- La périodicité nominale d’actualisation de la base de données est de 15 jours.
- Une fois mis en fonctionnement le futur Centre de Gestion de la Documentation Nationale (CGDN), toute l’activité des Centres de Gestion de la Documentation Régionale (CGDR) sera reprise par ce seul Centre de Gestion de la Documentation Nationale (CGDN) et tous les Centres de Gestion de la Documentation Régionale (CGDR) seront démantelés ou recyclés sous forme d’une extension des Centres de Documentation Régionaux (CDR).
- Un Centre de Gestion de la Documentation Nationale (CGDR) est constitué par :
- 2 Calculateurs MINI 6/92 travaillant en partage de charge,
- 2 Machines DIRAM 32 de la société Copernique.
- 8 Disques durs de 600 Mo chacun.
- 8 Dérouleurs de Bande Magnétique 6250 bpi.
_____
Le Centre de Gestion de la Documentation Nationale (CGDN)…
- La France est à partir du 7 mai 1985 équipée d’un Centre de Gestion de la Documentation Nationale (CGDN) situé à Rennes.
- Le Centre de Gestion de la Documentation Nationale (CGDN) assure la mise à jour de la documentation annuaire concernant les abonnés du Centre de Documentation National (CDN).
- Ce centre sert de liaison entre la tête du système d’annuaire et les fournisseurs d’informations : Agences Commerciales des télécommunications (ACTEL), Office d’Annonce (ODA) et le Service National de l’Édition des Annuaires des Télécommunications (SNEAT).
- La périodicité nominale d’actualisation de la base de données est de 15 jours.
_____
Le Centre de Gestion Réseau (CGR) …
- Comme sa dénomination l’indique, il s’agit de superviser le fonctionnement en temps réel de l’ensemble du Service de l’Annuaire Électronique. Ce centre a été mis en service après l’année 1984.
_____
Schéma de Principe du Service Annuaire Électronique :
_____
- Plan détaillé du Réseau Annuaire Électronique d’Île-de-France en Mai 1992 (E10.5 CTA – Centre d’Interrogation – Centres de Documentation).
_____
Transit des communications Télétel-Videotex / Annuaire Électronique :
- Les communications télématiques commutées via les Commutateurs E10.5 PAVI ou E10.5 CTA de leur zone d’installation sont acheminées au travers du Réseau Téléphonique Commuté par les mêmes Commutateurs de Transit du trafic téléphonique.
- De manière générale, il est préférable d’installer les Commutateurs E10.5 dans les mêmes locaux où est implanté un Centre de Transit Secondaire (Régional ou Urbain).
- Il est en outre préféré de les installer à proximité d’un Centre de Transit Électronique Temporel, ou si l’on ne peut le faire autrement durant la phase de transition, à proximité du Centre de Transit Électromécanique de la zone devant être mis hors service en dernier.
Ci-dessus : travée de Commutateur E10.5 et d’un Terminal Téletel à clavier séparé produit par Alcatel.
Photographie d’art Alcatel – 1984 – Coll. C. R-V.
_____
Commutateurs E10-5 ayant porté les services télématiques Télétel/Videotex/Annuaire Électronique :
- À noter l’utilisation des couleurs gris-sombre et bleu-électrique pour le design des bâtis des Commutateurs E10.5.
– Autocommutateurs téléphoniques E10.5, du plus récent au plus ancien édité. –
Videos C. R-V.
_____
Ci-dessus : Commutateur E10 CTA 1 Longchamp (SX51).
- Mis en service le 8 février 1984 (ou peu avant) – Hors Service en 1995 ou 1996.
Photographie PTT – Décembre 1983 – Coll. Orange DANP.
_____
Ci-dessus : Consoles de commande et Téléscripteurs de dialogue pour la Relation Homme-Machine du Commutateur E10 CTA 1 Longchamp (SX51).
Photographie PTT – Décembre 1983 – Coll. Orange DANP.
_____
Ci-dessus : technicien de commutation changeant une carte dans un des E10.5 PAVI du centre Paris-Tuileries.
- Les premiers Commutateurs E10.5 PAVI et E10.5 CTA de Tuileries ont été mis en service au début de l’année 1984, parmi les tous premiers exemplaires de France.
Photographie PTT – 1985 – Coll. C. R-V.
_____
Ci-dessus : Commutateur E10.5 Captif de Paris-Cévennes destiné aux tests et à l’apprentissage.
- au premier plan : présence de deux terminaux Télex pour la Relation Homme-Machine.
- au second plan, à droite : un simulateur d’appels téléphoniques Mini-SIMAT, pour tester la résistance en charge du Commutateur.
Photographie PTT – 14 décembre 1989 – Coll. C. R-V.
_____
Ci-dessus : comparaison matériels E10.5 / humain de taille moyenne. Commutateurs E10.5 de Massy.
Photographie C. R-V. – 23 avril 2018 – Coll. C. R-V.
_____
Ci-dessus : Commutateurs E10.5 Massy PAVI 1 (SX15), Massy PAVI 2 (SX16) et Massy PAVI 3 (ex-CTA).
- Mis en service respectivement les : 19 août 1986, 11 février 1986 et 15 mars 1995.
- Mis hors service avant le 30 juin 2012.
- Constructeur : Alcatel
Photographies C. R-V. – 8 novembre 2021 – Coll. C. R-V.
_____
Ci-dessus : Commutateurs E10.5 Bondeville PAVI 1 (SX76) et Bondeville PAVI 2 (SX77).
- Mis en service respectivement en Janvier 1986 et Janvier 1987 (dates non certifiées).
- Mis hors service avant le 30 juin 2012.
- Constructeur : Alcatel
Photographies C. R-V. – 25 janvier 2022 – Coll. C. R-V.
_____
Ci-dessus : Commutateurs E10.5 Cévennes PAVI 1 (SX90), Cévennes PAVI 2 (SX91), Cévennes PAVI 3 (SX93) et Cévennes PAVI 4 (SX94).
- Mis en service respectivement en Janvier 1985, Janvier 1985, Décembre 1985 et 16 avril 1987 (dates non certifiées).
- Mis hors service avant le 30 juin 2012.
- Constructeur : Alcatel
Photographies C. R-V. – 9 juin 2025 – Coll. C. R-V.
_____
Ci-dessus : Commutateur E10.5 au Plessis-Bouchard PAVI 1 (SS83).
- LE PLESSIS-BOUCHARD E10.5 PAVI 1 (SS83), mis en service probablement en 1995, mis hors service avant le 30 juin 2012.
- Constructeur : Alcatel
- Installé dans la même salle que l’Autocommutateur de transit téléphonique MT20 – PLESSIS BOUCHARD 1 CTZP (RP95), pour le coup placé au plus près de l’autocommutateur de transit d’écoulement du trafic.
Photographies C. R-V. – 28 janvier 2022 – Coll. C. R-V.
_____
Ci-dessus : Commutateurs E10.5 au Centre Téléphonique du Pontet (84).
- LE PONTET- FARGUES E10.5 PAVI 1 (AV08), mis en service en Avril 1987.
- LE PONTET- FARGUES E10.5 PAVI 2 (PA21), mis en service en Septembre 1990.
- Mis hors service avant le 30 juin 2012.
- Constructeur : Alcatel
- Installé dans la même salle que l’Autocommutateur téléphonique urbain MT25 – LE PONTET-FARGUES MT (PA30), ce qui est une place très inhabituelle pour ce type de machines.
Photographies C. R-V. – 21 juillet 2022 – Coll. C. R-V.
_____
Ci-dessus : Commutateurs E10.5 au Centre Téléphonique Nice Baumettes, à Nice (06).
- NICE BAUMETTES E10.5 PAVI 1 (NC87), mis en service en Décembre 1985.
- NICE BAUMETTES E10.5 PAVI 2 (NC94), mis en service le 15 décembre 1986.
- NICE BAUMETTES E10.5 PAVI 4 (NC88), mis en service le 21 janvier 1987 en CTA, converti en PAVI en 1995/96.
- Mis hors service avant le 30 juin 2012.
- Constructeur : Alcatel
Photographies C. R-V. – 16 septembre 2022 – Coll. C. R-V.
_____
Ci-dessus : Commutateurs E10.5 au Centre Téléphonique Orléans Pasteur, à Orléans (45).
- ORLÉANS PASTEUR E10.5 PAVI 1 (OR05), mis en service en Décembre 1985.
- ORLÉANS PASTEUR E10.5 PAVI 2 TVR* (OR06), mis en service le 29 juillet 1986. (*TVR = Télétel à Vitesse Rapide)
- Mis hors service avant le 30 juin 2012.
- Constructeur : Alcatel
Photographies C. R-V. – 10 février 2025 – Coll. C. R-V.
_____
Ci-dessus : Commutateur E10.5 au Centre Téléphonique Orléans Pasteur, à Orléans (45).
- ORLÉANS PASTEUR E10.5 PAVI 3 (OR07), mis en service en 1986.
- Mis hors service avant le 30 juin 2012.
- Constructeur : Alcatel
- Nota : seule une des deux salles abritant trois E10.5 PAVI existait encore ; une seconde salle en abritant 3 autres n’existe plus.
Photographies C. R-V. – 10 février 2025 – Coll. C. R-V.
_____
Ci-dessus : Commutateurs E10.5 Bordeaux Terrasse PAVI 1 (BX30), PAVI 2 (BX31), PAVI 3 (BX32), PAVI 4 (BX33) et PAVI 5 (BX35), sis dans le Centre Bordeaux Mériadeck.
- Mis en service respectivement en Juin 1985, Janvier 1986, Janvier 1986, Janvier 1987 et 1995/96 (recyclage d’un E10.5 CTA) (dates non certifiées).
- Mis hors service avant le 30 juin 2012 (PAVI 3 : 6 décembre 2006 et PAVI 4 : 31 mai 2007).
- Constructeur : Alcatel
Photographies C. R-V. – 25 juillet 2023 – Coll. C. R-V.
_____
Ci-dessus : Commutateurs E10.5 Boulogne PAVI 1 (SX46) et Boulogne PAVI 2 (SX47).
- Mis en service respectivement en Janvier 1986 et Janvier 1987 (dates non certifiées), à Boulogne-Billancourt (92).
- Mis hors service avant le 30 juin 2012.
- Constructeur : Alcatel
Photographies C. R-V. – 14 janvier 2023 – Coll. C. R-V.
_____
Ci-dessus : auprès des Commutateurs E10.5 de Boulogne-Billancourt. Nota : sur ce site, les Disques Durs sont situés dans la baie la plus à droite, vers le bas (il s’agit des deux blocs avec façade en acier nu)
Photographie C. R-V. – 5 mai 2018 – Coll. C. R-V.
_____
Ci-dessus : Commutateurs E10.5 Valenciennes Pasteur PAVI 1 (VA05) et Valenciennes Pasteur PAVI 2 (VA06).
- Mis en service respectivement le 18 décembre 1987 et 30 septembre 1989, à Boulogne-Billancourt (92).
- Mis hors service avant le 30 juin 2012.
- Constructeur : Alcatel
Photographies C. R-V. – 21 février 2024 – Coll. C. R-V.
_____
Ci-dessus : vue en cours de démontage d’un Commutateur E10.5 PAVI – à Paris-Beaujon.
Photographie C. R-V. – 14 juillet 2014 – Coll. C. R-V.
_____
Ci-dessus : un coffre-fort où étaient stockées sur chaque site Télétel /Annuaire Électronique les bandes, cartouches, mémoires, logiciels et autres informations sensibles des Commutateurs E10.5. Cas de Massy.
Photographie C. R-V. – 23 avril 2018 – Coll. C. R-V.
_____
Ci-dessus : croquis d’Implantation type de Commutateurs E10.5 PAVI et E10.5 CTA dans un même local. Cas du Central Paris-Trudaine en 1996.
_____
Parc de Commutateurs E10.5 en France Métropolitaine :
Toutes époques confondues, ont existé au moins :
- France – 326 Commutateurs E10.5 répartis comme suit :
- 110 Commutateurs E10.5 CTA,
- 189 Commutateurs E10.5 PAVI (dont 38 ex-CTA identifiés par nos soins, sachant que 47 ex-CTA ont bien été convertis en tout).
- 21 Commutateurs E10.5 affectés à d’autres usages.
Détail :
- Paris Intra-Muros – 29 Commutateurs E10.5 répartis comme suit :
- 13 Commutateurs E10.5 CTA,
- 2 Commutateurs E10.5 CTA MINICOM (36.12 messages entre Minitel),
- 14 Commutateurs E10.5 PAVI dont au moins 1 ex-CTA.
- Île-de-France 1ère et 2ème couronne – 40 Commutateurs E10.5 répartis comme suit :
- 14 Commutateurs E10.5 CTA
- 26 Commutateurs E10.5 PAVI dont au moins 9 ex-CTA.
- Province – 251 Commutateurs E10.5 répartis comme suit :
- 81 Commutateurs E10.5 CTA
- 149 Commutateurs E10.5 PAVI dont au moins 28 ex-CTA.
- 21 Commutateurs E10.5 affectés à d’autres usages : 2 Commutateurs E10.5 SIGPHONE (Systèmes complexes de distributeurs d’appels sur plateformes téléphoniques), 8 Commutateurs E10.5 CORPAC (RADIOCOM 2000), 3 Commutateurs E10.5 CRT (Satellites TELECOM 1), 3 Commutateurs E10.5 TRANSPAC, 1 Commutateur E10.5 BEFA (répondeurs), 1 Commutateur E10.5 Monaco 3 (AP01) – (Téléphonie), 3 Commutateurs E10.5 PAVI réservés aux tests pour le MEGAT.
- Outre-Mer – 6 Commutateurs E10.5 PAVI (un par DOM + Nouvelle Calédonie + Polynésie Française).
(au dernier recensement mené par nos soins en Mai 2019 – environ 10 unités manquent).
_____
Architecture et descriptif de fonctionnement des Commutateurs E10.5 :
- Le système E10.5 est un système de commutation téléphonique ou de données à commande répartie entre plusieurs organes différents et spécialisés. Il s’agit d’un système de commutation temporelle.
- Chaque organe est au minimum dédoublé pour assurer la sécurité du système et ces organes fonctionnent en service normal, en partage de charge.
- Le Commutateur E10-5 constitue le premier commutateur du monde où les fonctions de commande ne sont désormais plus liées à des organes matériels strictement définis et affectés à un unique rôle.
- Désormais les fonctions de commande sont exécutées par des logiciels implantés dans des stations de processeurs banalisés, sous la forme de Machines Logiques (ML).
- Ces Machines Logiques que l’on puisse caractériser comme virtuelles, n’en accomplissent pas moins un travail bien réel… Ce nouveau concept plus abstrait sera repris dans le futur système de commutation ultérieur E10B3.
Son architecture matérielle est construite sur 3 niveaux :
Ci-dessus : architecture générale d’un Commutateur E10.5. (Documentation Alcatel)
_____
– (1) Le premier niveau est le système de Commande qui regroupe les Unités de Commande (UC) qui assurent le traitement des communications, la taxation, les accès aux mémoires de masse (qui sont des Disques Durs Winchester), ainsi que la Défense et l’Exploitation du Commutateur.
- Les Unités de Commande de Données (UCD) sont spécialisées pour le traitement des Communications télématiques Videotex ou téléphoniques du Kiosque Audiotel. (de 2 à 16 UCD par Commutateur E10.5 suivant sa capacité souhaitée)
- Les Unités de Commande de Signalisation (UCS) sont spécialisées pour le traitement de la Signalisation en code CCITT n°7 (une innovation). (de 2 à 3 UCS par Commutateur E10.5 suivant sa capacité souhaitée)
- Nota : UCD et UCS sont aussi nommées Unités de Commandes Banalisées (UCB) suivant les documentations.
- Les Unités de Commande de Périphériques (UCP) sont spécialisées pour l’Exploitation et la Défense du système, la gestion des alarmes ainsi que pour le Dialogue Homme-Machine et l’accès aux Disques Durs avec le reste du système. (4 UCP par Commutateur E10.5 quelle que soit sa capacité)
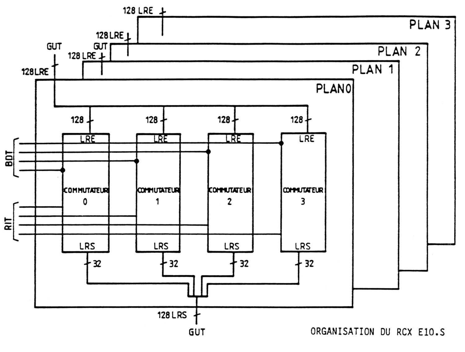
– (2) Le deuxième niveau est le Réseau de ConneXion interne du Commutateur (RCX) constitué en un Réseau Temporel de type T à un seul étage, de telle sorte que son fonctionnement soit garanti sans blocage : chaque voie entrante trouve une voie sortante.
- La capacité maximale du Réseau de ConneXion (RCX) d’un Commutateur E10.5 permet de commuter temporellement jusqu’à 128 Liaisons Numériques MIC normalisées Entrantes de 32 voies chacune vers 128 Liaisons Numériques MIC normalisées Sortantes de 32 voies chacune, soit 4096 voies télématiques entrantes pour 4096 voies télématiques sortantes.
- Le Réseau de ConneXion (RCX) assure l’établissement, le maintien et la rupture des communications télématiques ou téléphoniques.
- Pour raison de sécurisation, le Réseau de ConneXion (RCX) d’un Commutateur E10.5 est dupliqué en 4 parties (4 plans numérotés de 0 à 3) afin d’assurer une meilleure protection du Commutateur. En effet, en cas d’avarie sur une des 4 parties du Réseau de ConneXion (RCX), le 3/4 restant indemne peut continuer à fonctionner normalement. Chaque Plan du Réseau de ConneXion (RCX) permet la connexion et le brassage des 128 Liaisons Numériques MIC Entrantes vers 128 Liaisons Numériques MIC Sortantes.
- Pour raison de sécurisation, chacun des 4 plans du Réseau de ConneXion (RCX) est lui-même divisé en 4 autres parties, appelés « Commutateurs/Marqueurs » (numérotés de 0 à 3). Chaque « Commutateur/Marqueur » permet la connexion et le brassage des 128 Liaisons Numériques MIC Entrantes vers 32 Liaisons Numériques MIC Sortantes. Ainsi, en cas d’avarie d’un « Commutateur/Marqueur », les 3 autres « Commutateurs/Marqueurs » continuent-ils de fonctionner…
- Ainsi, par ces deux divisions combinées du Réseau de ConneXion (RCX) en 16 parties équipollentes, le système se trouve mieux protégé contre les avaries ou les surcharges d’appels.
Ci-dessus : architecture du Réseau de ConneXion d’un Commutateur E10.5, en configuration maximale, sur 4 Plans et 16 Commutateurs de base. Documentation Alcatel.
_____
– (3) Le troisième niveau est système de raccordement constitué en Groupe d’Unités Terminales (GUT) qui inclut :
- les Circuits Numériques Voies (CNV) chargés de connecter les Liaisons Numériques entrantes et sortantes au Réseau de ConneXion (RCX),
- les AUxiliaires MultiFréquences (AUMF) chargés d’émettre ou recevoir les signalisations nécessaires à la bonne coordination et à l’établissement des communications.
- les circuits d’essais, circuits de mise en conférence, générateurs de tonalités et diffuseurs de films.
- l’ensemble des modems de différentes normes nécessaires au traitement des appels de types télématiques (et propres au Télétel) : normes V23, V24, V32, V27ter, V29 et accès normalisés RNIS à 64kbit/s.
- les Unités de Raccordement d’Abonnés de type CSE (dans le cas d’utilisation en commutateur d’abonnés tel qu’à Monaco – Monaco 3 (AP01)).
_____
– L’architecture matérielle d’un Commutateur E10.5 est contrôlée par un logiciel fonctionnel découpé en plusieurs modules.
- Chaque module logiciel constitue une Machine Logique (ML). Fait notable, il s’agit du premier Commutateur Téléphonique Temporel utilisant le concept de Machine Logique (concept repris avec succès dans les futurs Commutateurs E10B3 depuis 1991).
- Ces Machines Logiques (ML) sont regroupées de manière cohérente suivant leur rôle au sein de groupes cohérents nommés Unités de Reconfiguration Logicielle (URL).
- Les Unités de Reconfiguration Logicielle (URL) servent dans le cadre du service normal à permettre à chaque Unité de Commande (UC) d’accomplir son rôle dévolu suivant son type prédéfini (UCD, UCP, UCS).
- Les Unités de Reconfiguration Logicielle (URL) servent, en cas d’avaries d’une ou plusieurs Unités de Commandes (UC), à sauvegarder le fonctionnement global du Commutateur malgré les défaillances : si une Unité de Commande (UC) tombe en panne, les URL (et les Machines Logiques (ML) qu’elles contiennent) se transfèrent d’elles-mêmes sur d’autres Unités de Commandes (UC) de même nature pouvant les accepter, pour que le Commutateur puisse continuer à fonctionner en « isolant » les équipement matériels défaillants. (l’alarme est donnée, ce qui permet aux équipes de techniciens d’agir rapidement pour localiser la panne et revenir dès que possible à une situation normale.)
_____
Convergence Télétel E10.5 PAVI et Annuaire Électronique E10.5 CTA :
- Progressivement, à partir de l’année 1991, nécessité se fait sentir de faire évoluer l’architecture du Service de l’Annuaire Électronique (SAE).
- L’infrastructure du Service de l’Annuaire Électronique date de l’année 1980.
- Les derniers Commutateurs spécialisés Annuaire Électronique E10.5 CTA sont commandés en 1990 et mis en service en 1992.
- Les deux E10.5 CTA mis en service le plus récemment en Île-de-France sont : Beaujon CTA3 le 19 février 1992 (Télex du 10 février 1992) et Trudaine CTA4 le 14 mai 1992 (Télex du 11 mai 1992).
- Les serveurs Téléinformatiques de l’Annuaire Électronique atteignent désormais un âge canonique, eu égard à la vitesse de l’évolution informatique.
- En raison de l’obsolescence des équipements informatiques et des logiciels utilisés, plus aucune amélioration des services n’est désormais possible.
- La disponibilité des pièces de rechange, la cessation de leur fabrication, l’évolution des langages logiciels font que la vie du système en l’état va devenir erratique à maintenir à terme.
- Le 20 janvier 1992 au cours d’un colloque, commence la réflexion sur cette évolution structurelle de grande ampleur.
- L’ordre du jour en est : la Convergence CTA-PAVI.
- Il est décidé d’implanter dès 1992 le protocole VIDEOPAD (norme de dialogue des Commutateurs E10.5 PAVI) dans les Centres d’Interrogation informatiques (CI) de l’Annuaire Électronique. Ainsi, désormais les Commutateurs E10.5 PAVI pourront eux aussi « dialoguer » avec les Centres d’Interrogation informatique de l’Annuaire Électronique.
- À partir de l’année 1992, la croissance du trafic Annuaire Électronique supplémentaire est désormais assurée par les Commutateurs E10.5 PAVI. Le cas se présente cette année-là à Ajaccio et Lyon.
- À partir de l’année 1993, la croissance du trafic Annuaire Électronique est assurée par les Commutateurs E10.5 PAVI de Besançon, Bordeaux, Dijon, Marseille, Montpellier, Orléans, Strasbourg, Toulouse et Paris. (Il s’agit d’une généralisation de cette technique à toute la métropole.)
- À partir de l’année 1994, il existe en service 136 Commutateurs E10.5 PAVI et 88 Commutateurs E10.5 CTA. Il est envisagé de transformer la totalité des 88 Commutateurs E10.5 CTA en Commutateurs E10.5 PAVI pour harmoniser la structure en n’en faisant plus qu’une.
- Lorsque les 88 Commutateurs E10.5 CTA seront convertis en Commutateurs E10.5 PAVI, il est envisagé :
- Pour les zones à fort trafic : de spécialiser une partie des Commutateurs E10.5 PAVI en Trafic Télétel et l’autre partie des Commutateurs E10.5 PAVI en Trafic Annuaire Électronique. Cette spécialisation permet d’optimiser le rendement de chaque Commutateur en les mettant en charge de manière optimale.
- Pour les zones à faible trafic : d’acheminer par le(s) même(s) Commutateur(s) E10.5 PAVI les trafics Télétel et Annuaire Électronique simultanément via le Réseau Commuté X25.
- La totalité du trafic acheminé par les Commutateurs E10.5 CTA est de 12.000 erlangs qui devront être réacheminés par les Commutateurs E10. PAVI ainsi que par le Réseau Commuté par Paquets TRANSPAC.
- Le 4 mars 1994, le principe de transformation des Commutateurs E10.5 CTA en Commutateurs E10.5 PAVI est validé par France Télécom. La conversion s’effectuera en 2 lots :
- Le 1er lot de 61 Commutateurs E10.5 CTA sera converti en Commutateurs E10.5 PAVI à l’échéance du 31 décembre 1995.
- Le 2ème lot de 20 Commutateurs E10.5 CTA sera converti en Commutateurs E10.5 PAVI à échéance du 31 juillet 1996.
- Chaque Direction Régionale de France Télécom doit choisir son scénario, suivant le nombre de Commutateurs E10.5 en service et son trafic moyen à écouler.
- Tous les Commutateurs E10.5 CTA doivent être convertis en Commutateurs E10.5 PAVI pour le mois de Septembre 1996 pour préparer l’arrêt total des acheminements affectés au 11 pour les réutiliser pour le futur Numéro d’Appel des Urgences Européen le 112.
- Le 28 mars 1994, la société Alcatel est sollicitée pour réaliser les études de faisabilité de conversion et fournir les devis.
- Le 30 octobre 1994, les choix technologiques sont validés, au niveau de la partie télématique. (changements ou modernisation des serveurs, extensions etc…)
- Novembre 1994, pour une durée de 3 mois, les Commutateurs E10.5 PAVI de Bordeaux et le Centre d’Interrogation (CI) de Massy sont choisis pour expérimenter la mise en trafic réel entre Commutateurs E10.5 PAVI et CI.
- Le 26 décembre 1994, le marché de convergence E10.5 CTA / E10.5 PAVI est notifié par France Télécom à la société Alcatel.
- Au 31 décembre 1994, le Trafic Télétel atteint 87 millions d’heures pour 1200 millions d’appels,
- Au 31 décembre 1994, le Trafic Annuaire Électronique atteint 23 millions d’heures pour 780 millions d’appels.
- Fin Février 1995, il est procédé au bilan des sites prototypes convertis.
- En Septembre 1996, ce sont finalement en tout 81 Commutateurs E10.5 CTA qui sont transformés en 47 Commutateurs E10.5 PAVI. À cette date, tous les Commutateurs E10.5 en service en France sont des E10.5 PAVI.




























































































































































































































































































































































